16' long X 6' wide X 7' high - Tack compartment & feed manger - Horse divider in front area - Center divider gate - Combo rear gate
Available in 2 & 3 horse models
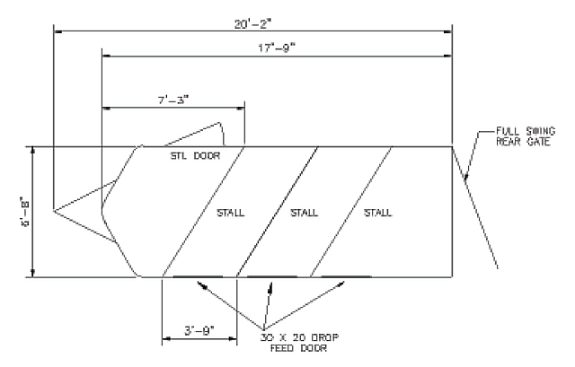
17' Long X 6'8" Wide X 7' High
Galvannealed Sheets
Diamond Gravel Guard Under Nose & Fenders
V-Front with 2 Windows
Front Dressing Room with RV Vent & Steel D/R Door on RH Side
Brush Tray & Shelf with Clothes Bar in D/R
Stall Mat on Floor in D/R
Dome Light in D/R and Horse Area
Steel Lined Walls with Mat on Right & Left Walls
Stall Mat on Floor in H/A
Full Swing Rear Door with Top Panel at Rear
#575 Feed Doors at Each Horse on LH Side
60" Solid Sides with 2 Openings on RH Side
Padded Butt Chain at Load Door
Tack & Tie Hooks - Slam Latches on Dividers
No Two Way Vents
Rubber Rear Bumper
Breakaway Kit & Safety Chains
6.0K RR Brake Axles
225 x 15" D Range Tires
Miscellaneous Options Available:
Walk Thru Door From D/R to H/A
Spare Tire
Rear Ramp with Removable Top Doors
Side Escape Door
Lexan Installed on RH Side & Rear Gate
Extra Length
Extra Width
Extra Height
**Some pictures may be shown with optional features. Features and equipment are subject to change at any time. Please contact us for the most current info
3-Horse Bumper Quest Slant-Load Trailer
Click on any of the images below for a larger version